Altes Tauchen
-> Technik --> Kompaktregler
--->
Wirkungsweise des
Kompaktreglers (Bsp. Hydromat)
Der Lungenautomat 62004 G 01 in Kompaktbauweise (1. und 2. Stufe in
einem Gehäuse) besteht aus einem Hochdruckteil (Druckminderer), einem Niederdruckteil und
dem lungengesteuerten Mundstückventil. Es handelt sich also um einen zweistufigen
Lungenautomaten.
Der Lungenautomat wird mittels einfacher Handverschraubung (1) mit dem Ventil oder der
Brücke an den Druckluftflaschen verbunden. Ein Rundring (2) sorgt für eine selbsttätige
Dichtung mit Hilfe des Hochdruckes. |
 |
Beim Einatmen entsteht im Einatemschlauch (3) und damit im Raum (4) ein Unterdruck,
welcher die Membran (5) des Lungenautomaten zum Durchwölben bringt. Sie drückt dabei
durch ihr Mittelteil aus Metall den Hebel (6) entgegen der Kraft der Schließfeder (7)
herunter, wobei sich das Ventil (8) öffnet und den Atemgasstrom freigibt. Ist die
Einatmung beendet, d. h. der Unterdruck läßt nach, geht der Hebel (6) unter der Wirkung
der Schließfeder (7) in seine Ausgangslage zurück, die Atemgaszufuhr ist unterbrochen.
Beim Offnen des Ventiles (8) fällt der Druck im Mitteldruckraum (9) ab, die Kraft der
Stellfeder (10) überwiegt, und der Druckminderer wird über den Bolzen (11) und den
Schließbolzen (12) geöffnet. Es strömt solange Atemgas im Druckminderer nach, bis das
Kräftegleichgewicht wiederhergestellt ist. Mit veränderter Tauchtiefe sorgt der
Lungenautomat selbsttätig für den Druckausgleich. |
| Der auf die Membran (5) wirkende Wasserdruck öffnet das Ventil (8)
über den Hebel (6) solange, bis sich im Raum (4) und den Atmungsorganen der Druck
entsprechend der Tauchtiefe eingestellt hat. Das Ausatmen geschieht über den
Ausatemschlauch (13) und das Ausatemventil (14). Im Mundstück sind zusätzlich ein Ein-
und Ausatemventil angebracht. Das Einatemventil verhindert ein Eindringen von Wasser vom
Mundstück aus in den Einatemschlauch und den Lungenautomaten, und das Ausatemventil
vermeidet, daß im Ausatemschlauch vom Mundstück aus eingedrungenes Wasser den Taucher
beim Einatmen behindert. Der Einatemschlauch läßt sich vom Lungenautomaten zwecks
besserer Reinigung abschrauben. 1. Stufe (Druckminderer)
Der Druckminderer reduziert im Zusammenwirken mit dem Ventil des Hochdruckteils den
Flaschendruck auf den eingestellten Mitteldruck. Er besteht aus dem Gehäuse (7), der
Membrane (8), die mit dem Gewindering (9) eingespannt ist, wobei ein Verziehen durch die
zwischengelegte Scheibe (10) verhindert wird.
Die Kraft der Stellfeder (11) wird über einen Membranteller (12) auf die Membrane
übertragen. Die richtige Einstellung der Federspannung und damit des Mitteldrucks erfolgt
mit der Schraube (13).
|
 |
Die Stellfeder ist teilweise durch eine Wellblech-Manschette bandagiert. Die
Verbindung zwischen Membrane und Schließbolzen wird durch Scheibe (14) und Bolzen (15)
hergestellt.
Die Befestigung des Druckminderers im Unterteil (16) erfolgt durch die Mutter (17) wobei
eine Scheibe (18) zwischengelegt ist.
Dichtigkeit wird durch den O-Ring (19,3 x 2) erzielt. Gegen Verdrehung der Teile
gegeneinander schützt das U-Blech (20). Die Dichtigkeit zwischen Anschlußzapfen und
Druckminderergehäuse wird durch die Kupferdichtung (21) erreicht. |
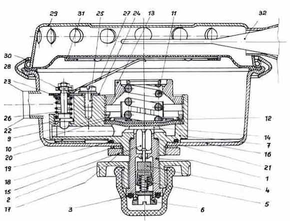
2. Stufe
Auf dem Krater des Druckminderers der 2. Stufe sitzt der Ventilteller (22), dessen Stock
in der Buchse (23) geführt wird. Diese wird durch die Platte (24), die mit der
Schraube (25) befestigt ist, gehalten. Zwischen Buchse und Ventilteller sitzt die
Druckfeder (26), die das Ventil in Ruhelage abdichtet. Geöffnet wird es durch das
Herunterdrücken des Hebels (27), dessen kurzer Arm die gekonterte Mutter (28) und damit
den Ventilteller nach oben schiebt.
Das Gehäuse
Das Reglergehäuse besteht aus zwei gedrückten Ms-Schalen unterschiedlicher Wandstärke
und nimmt die Bauteile des Reglers auf.
In der Unterschale (16) ist der Druckminderer befestigt, außerdem der Stutzen zur
Befestigung des Einatemschlauches. Unter- und Oberteil (29) werden durch den Spannring
(30) zusammengehalten, dazwischen sitzt die Hauptmembrane (31), deren Außenring auch für
die Abdichtung sorgt. Die Membrane besitzt im Zentrum eine biegesteife Metallplatte.
Im Oberteil sitzt im Stutzen des Ausatemschlauches das Ausatemventil (32, Entenschnabel),
das zusammen mit dem Faltenschlauch befestigt ist.
Die ältere Ausfuhrung des Reglers (Bild unten) unterscheidet sich im wesentlichen nur
durch die Ausführung der 2. Stufe von der bisher beschriebenen. |
 |
In der Bohrung über dem Krater der 2. Stufe sitzt der Schließbolzen (1), der
durch die Wandung der Bohrung bei der Bewegung geführt wird.
Der Hebel (2) besitzt einen schwenkbar befestigten Stift (3) und wird durch die Feder (4)
am Druckminderergehäuse angelenkt.
Das Schließen des Ventils bewirkt die Druckfeder (5), das unmittelbare Öffnen jedoch im
Unterschied zur vorher beschriebenen Variante der Zwischendruck im Druckminderer, wenn bei
Einatmung der Hebel durch die Membrane herabgedrückt wird. |
Der Atemanschluss
Der Einatemschlauch ist mit Schlauchanschluss und Überwurfmutter am Stutzen der
Unterschale (16) befestigt und mit einem Flachgummiring abgedichtet.
Die Mundstückkammer (T-Stück, 1) trägt das Gummimundstück, im Inneren die
Richtungsventile (2), die auf Ventilhalterungen aus Plast sitzen. Auf der Ausatemseite
wird das komplette Ventil durch die Distanzbuchse (3) gehalten. Die Schlauchanschlüsse
(5) werden durch Überwurfmuttern befestigt und mit den Gummiflachdichtungen (4)
abgedichtet. |
 |
|