| Der Einschlauchautomat 62017, Hydromat 66 Der Druckminderer (1. Stufe)
unterscheidet sich im Aufbau nur unwesentlich von dem des Reglers in Kompaktbauweise, mit
Ausnahme des zusätzlich vorhandenen Überdruckventils (14). Da die 2. Stufe des
Lungenautomaten mit dem Druck dichtet, kann sie im Unterschied zu der 2. Stufe des
2-Schlauch-Reglers diese Funktion nicht mit übernehmen. |
 |
Trotz des ähnlichen Aussehens sind jedoch nicht alle Teile der 1.
Stufe des 2-Schlauch-Reglers mit dieser hier austauschbar, insbesondere nicht das Gehäuse
des Reduzierventils, das eine in sich abgeschlossene Form besitzt. Druckminderer und
Lungenautomat sind durch einen FVC-Schlauch (9) mit Textilverstärkung (Mitteldruck) von
650 mm Länge verbunden, der auf den Stutzen auf ca. 10 mm Länge mit Ms-Draht abgebunden
ist.
2. Stufe
Das Gehäuseunterteil (4) des Lungenautomaten trägt das Gummimundstück (3),
darunter das Ausatemventil (15), das durch das Ausatemrohr (16) aus Gummi geschützt wird
und das die Ausatemluft seitlich ableitet. Das Rohr ist durch eine Schelle befestigt. An
der Seite des Unterteils ist der Anschlußstutzen (8) eingelötet, der das Ventil der 2.
Stufe aufnimmt. |
| Der Ventilsitz selbst besteht aus der Schraube (5) mit dem Krater, er
ist nach außen durch den O-Ring (6) abgedichtet. Das Ventil stellt einen Winkelhebel dar,
bestehend aus Teller (7) mit einvulkanisierter Dichtung und dem eingeschraubten Hebel (8)
mit Kugelkopf. Das Ventil wird im Ruhezustand durch die Kegelfeder (9) geschlossen
gehalten. Die Federspannung ist einstellbar. Zwischen Gehäusedeckel (10) und Unterteil
sitzt die Mebrane (11), die Teile werden durch den Spannring (12) zusammengehalten. Im
Deckel befindet sich eine Gummikappe (Spülknopf) über die der Regler durch mechanischen
Druck auf die Membrane ausgeblasen werden kann, wenn Wasser in den Regler eingedrungen
ist. |
 |
| Der Lungenautomat besitzt ein in der Zeichnung nicht
dargestelltes Nackenband, dessen Länge mit einer Schnalle einstellbar ist. |
Im Gegensatz
zum Lungenautomaten 62004 G 01 (Zweischlauchregler) besitzt der Einschlauchregler 62017
nur einen, im Durchmesser kleingehaltenen Niederdruckschlauch, als Verbindungselement
zwischen Druckminderer (am Flaschenpaket befestigt) und dem Mundstückventil.
Der Einschlauchregler 62017 zeichnet sich besonders durch seinen geringen Atemwiderstand
aus, er ist vornehmlich für Sporttaucher (Wettkämpfer) geeignet. Die maximale Tauchtiefe
beträgt 30 m.
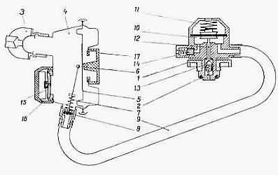
Die Wirkungsweise des Einschlauchreglers 62017 wird in einer schematischen Darstellung
(Bild oben) näher erläutert. |
 |
Mit einer einfachen Handverschraubung (1) wird
der Druckmindererteil des 1-Schlauch-Reglers an die Druckluftflaschen angeschlossen. Ein
Rundring (2) sorgt mit Hilfe des Hochdruckes für eine selbsttätige Dichtung der
Verbindungsstelle. Beim Einatmen durch das Mundstück (3) wird im Raum (4) des
Mundstückventiles ein Unterdruck erzeugt. Dieser Unterdruck bewirkt eine Bewegung der
Membran (5) in Richtung des Hebels (6), welcher durch eine Kegelfeder (7) fest gegen das
Ventil (8) gedrückt wird. Mittels dieser Bewegung des Hebels (6) wird das Ventil durch
ein Verkanten geöffnet und gibt den Atemgasstrom aus der Mitteldruckleitung (9) frei. Ist
die Einatmung beendet, d. h. der Unterdruck läßt nach, geht der Hebel (6) unter der
Wirkung der Kegelfeder (7) wieder in seine Ausgangslage zurück und unterbricht dabei die
Atemgaszufuhr. Bei geöffnetem Ventil (8) fällt der Druck in der Mitteldruckleitung (9)
und damit im Raum (10) des Druckmindererteiles ab, die Kraft der Stellfeder (11)
überwiegt, und der Druckminderer wird über den Bolzen (12) und den Schließbolzen (13)
geöffnet. Es strömt solange Atemgas im Druckminderer nach, bis das Kräftegleichgewicht
wiederhergestellt ist. Ein Überdruckventil (14) sorgt für die Sicherheit des
Geräteträgers beim fehlerhaften Ansteigen des Mitteldrucks. Der Druckausgleich wird, der
Tauchtiefe entsprechend, vom Einschlauchregler selbsttätig hergestellt. Der auf die
Membran (5) wirkende Wasserdruck öffnet das Ventil (8) über den Hebel (6) solange, bis
sich im Raum (4) und den Atemorganen der Druck entsprechend der Tauchtiefe eingestellt
hat. |
| Die Ausatmung erfolgt über ein Ventilplättchen (15) und
ein Ausatemrohr (16). Ein Spülknopf (17) sorgt für eine zusätzliche Luftzufuhr und
hilft, in den Raum (4) eingedrungenes Wasser zu entfernen. |
|