altes.tauchen -> Altes --> Atembremsen unter der Lupe --->
Neues Prüfgerät für Lungenautomaten
Ing. HANSJÜRGEN KRAMER,
Prüfgerät 1965
Leiter der AG Technik des Präsidiums des Zentralen Tauchsportklubs der DDR
Poseidon 1968 Heft 5
Seit etwa zwei Jahren werden am Zentralen Tauchsportklub Lungenautomaten geprüft. In
dieser Zeit hat die von Ingenieur Schumann entwickelte Prüfanlage gute Dienste geleistet.
Diese Prüfanlage weist allerdings in der Handhabung und im Aufbau einige Nachteile auf,
die es notwendig machen, ein neues Prüfgerät zu entwickeln. Ich möchte jedoch
ausdrücklich darauf hinweisen, daß sich diese Nachteile nicht auf die Ergebnisse
auswirken, also nicht zu Fehlern in der Auswertung führten.
Noch einmal zur Erinnerung:
Bei der zur Zeit benutzten Prüfanlage wird mittels eines Sauggebläses aus dem zu
prüfenden Lungenautomaten ein Luftstrom abgesaugt. Die Größe des Luftstromes ist über
ein Ventil und ein Rotameter einstellbar, der auftretende Unterdruck wird mit einem
Vakuum-Manometer gemessen. Es handelt sich hier also um eine statische Meßmethode.
Welches sind nun die Nachteile dieser Prüfanlage?
- Es muß ein entsprechend dimensioniertes Sauggebläse und am Einsatzort ein Anschluß
für Elektroenergie vorhanden sein.
- Die Lungenautomaten können nicht bis an ihre Leistungsgrenze geprüft werden, da
hierfür ein sehr großes und dementsprechend teures Sauggebläse eingesetzt werden
müßte.
- Geht bei dieser Art der Prüfung durch Unaufmerksamkeit des Prüfenden der Luftvorrat in
der Gerätestahlflasche zu Ende, dann wird, da keine Luft mehr nachfließt, der durch das
Gebläse erzeugte Unterdruck sehr groß. Da der Meßbereich des Vakuum-Manometers auf
Grund der geforderten Genauigkeit relativ klein ist (bei der vorhandenen Prüfanlage nur
bis 250 mm WS), tritt durch diesen hohen Unterdruck meist eine Zerstörung des
Meßgerätes ein.
- Die Lungenautomaten können nicht unter den Bedingungen bestimmter Tauchtiefen geprüft
werden, da die Prüfanlage diese Möglichkeit nicht zuläßt.
Um diese Nachteile zu beseitigen, habe ich mit Ing. Schumann zusammen ein neues
Prüfgerät entwickelt, welches ich hier im Prinzip beschreiben möchte.
Doch
vorher noch einige Bemerkungen.
Die beste Methode ist nach wie vor die dynamische Prüfmethode, d. h. die Prüfung mittels
künstlicher Lunge und Aufzeichnung der Atemdruckkurve durch Schnellschreiber, da hierbei
auch die Einschwingvorgänge des Reglers mit erfaßt werden. Zur Realisierung dieser
Methode werden aber Mittel und Möglichkeiten benötigt, wie sie wohl keine Tauchgruppe
zur Verfügung hat. Deswegen ist weiterhin die statische Methode die für unsere Zwecke
beste. Auch das neue Prüfgerät arbeitet nach dieser Methode. Für die Erzeugung des
konstanten Luftstromes haben wir ein andersgeartetes Verfahren als das zur Zeit benutzte
entwickelt.
Es gibt grundsätzlich zwei Methoden, um im Lungenautomaten einen konstanten Luftstrom zu
erzeugen: Einmal kann man im Automaten selbst durch ein Sauggebläse Unterdruck erzeugen
und die ausströmende Luft absaugen. Zum zweiten kann man über der Membrane einen
Überdruck erzeugen und dadurch den Regler zum Ansprechen bringen. Diese Methode haben wir
für unser neues Prüfgerät gewählt.
Bild 1 zeigt im Schema, wie bei der Erzeugung des Druckunterschiedes vorzugehen ist. Der
Lungenautomat wird so in einen Druckbehälter eingesetzt, daß der Innenraum des Reglers
über das Mundstück mit der Atmosphäre in Verbindung steht. Erzeugt man im Behälter
Druck, dann wird p größer als pa, es herrscht also im Reglerinneren, bezogen auf den
Druckbehälter, ein relativer Unterdruck. Mißt man jetzt die Größe des abfließenden
Luftstromes und die Differenz zwischen pi und pa, dann ist letzterer der zum jeweiligen
Durchfluß gehörende Unterdruck und damit das Maß für den Einatemwiderstand.
Ein weiteres Problem, das bei
statischen Prüfanlagen beachtet werden muß, ist die Größe des konstanten Durchflusses.
Wollte man den Einatemwiderstand bei einem Atemminutenvolumen von 30 l/min messen und
ließe zu diesem Zweck aus dem Lungenautomaten konstant 30 l/min ausfließen, dann würde
der dabei gemessene Unterdruck in keiner Weise mit dem an einer künstlichen Lunge
übereinstimmen.
Beim Einatmen beginnt der Durchfluß mit dem Wert Null, erreicht einen Höchstwert und
geht wieder auf Null zurück. Beim Ausatmen stellen sich dann ähnliche Verhältnisse mit
anderem Vorzeichen ein. Der Höchstwert beim Einatmen ist für uns von Interesse. Diese
Atemfunktionskurve folgt etwa einer Sinuskurve, so daß man diese zur Berechnung
heranziehen kann (Bild 2). Um die Luftmenge bei einmaligem Einatmen zu berechnen,
integriert man die Sinuskurve nach der allgemeinen Funktion
Man
erhält als Inhalt allgemein den Wert zwei Flächeneinheiten. Teilt man diesen Wert über
die gesamte Atemphase (Ein- und Ausatmung) auf, dann erhält man ein Rechteck mit der
Länge 2Pi und der Höhe 2:2Pi= Pi hoch -1. Diese Höhe entspricht Qmittel. Da Qmax der
Höhe der Sinuskurve von 1 (aus dem Einheitskreis mit dem Radius r= 1) entspricht, erhält
man als Verhältnis von Qmax : Qmittel = 1:Pi hoch -1 = Pi
Qmax ist also Pi mal größer als Qmittel. Man muß demnach den Wert des
Atemminutenvolumens (mittlerer Durchfluß) mit 3,14 multiplizieren, um die richtige
Größe für den konstanten Durchfluß (max. Durchfluss) zu erhalten. Bei einem
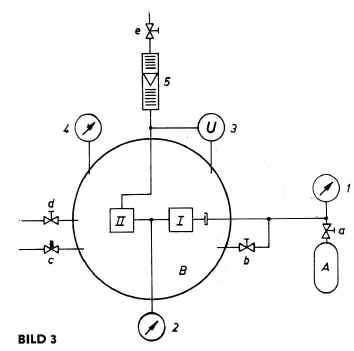
Atemminutenvolumen von 30l/min beträgt Qmax also 94,2 l/min. Bild 3 zeigt den
schematischen Aufbau der gesamten Prüfanlage.

Nun etwas zur Funktion:
Die Stahlflasche A ist über das Flaschenventil a mit der Stufe I des in diesem Beispiel
betrachteten Einschlauchautomaten verbunden. Der gesamte Einschlauchautomat ist in einem
Druckbehälter B untergebracht. Der Flaschendruck wird mit dem Manometer 1 gemessen. Der
Verbindungsschlauch des Automaten ist an einer Stelle getrennt. Hier wird das Manometer 2
angeschlossen und der Zwischen- oder Minderdruck gemessen. Die Mundstufe II des Automaten
steht über einen geeigneten Anschluß, das Rotameter 5 und das Ventil e mit der
Außenluft in Verbindung.
Ein U-Rohrmanometer 3 ist mit einer Seite vor dem Rotameter 5, mit der anderen Seite an
das Innere des Druckbehälters B angeschlossen, arbeitet also als Differenzdruckmanometer.
Über eine Verbindungsleitung und das Ventil b, hinter dem eine Drosseldüse angeordnet
ist, kann der Behälter B unter Druck gesetzt werden. Der Druck im Behälter B wird mit
dem Manometer 4 gemessen. Entlüftet wird B über das Ventil d. Ein Sicherheitsventil c
schützt B vor Überlastung.
Beim Prüfvorgang strömt die Preßluft nach dem Öffnen des Ventils a aus der Flasche A
zur Stufe I des Lungenautomaten. Wird jetzt durch Öffnen des Ventils b der Druck im
Behälter B erhöht, dann öffnet nach Überschreiten des Ansprechdrucks die Stufe II
(Mundstufe) und läßt einen der Höhe des Überdrucks entsprechenden Luftstrom
abfließen. Bleibt das Ventil e geschlossen, dann tritt, wenn der Druck im Behälter B
nicht weiter erhöht wird, nach kurzer Zeit Druckausgleich im System ein; die Mundstufe
schließt, das Manometer 3 zeigt keinen Druck an. An den Manometern 2 und 4 kann der
Minderdruck und der Behälterdruck abgelesen werden.
Offnet man nun das Ventil e, dann tritt im Inneren der Mundstufe ein Druckabfall auf, der
den Regler zum Ansprechen bringt (pi > pa). Der Luftstrom wird mit dem Ventil e
reguliert, der Wert mit dem Rotameter 5 gemessen. Das Manometer 3 zeigt jetzt einen
Differenzdruck an, der dem Einatemwiderstand entspricht, und am Manometer 2 liest man den
zugehörigen Minderdruck ab.
Beim Prüfen unter Verhältnissen, die denen an der Wasseroberfläche entsprechen sollen,
beträgt der Druck im Behälter B nur 150 bis 200 mmWS.
Soll der Regler in einer bestimmten Tauchtiefe geprüft werden, dann erhöht man den Druck
in B auf das gewünschte Maß. Diese fiktive Tauchtiefe wird am Manometer 4 abgelesen. Der
Prüfvorgang bleibt der gleiche, Manometer 3 zeigt weiterhin nur einen Differenzdruck an.
Bei einem Behälterdruck größer als 200 mmWS darf allerdings nicht bis zur Erschöpfung
des Pressluftvorrates geprüft werden, da sonst durch die auftretenden großen
Druckunterschiede zwischen Behälter B und dem Inneren der Mundstufe die Membrane
zerstört und die Flüssigkeit aus dem U-Rohrmanometer geschleudert wird.
Nach dem Prüfvorgang wird der Behälter B über das Ventil entlüftet.
Alle Bauteile, so also das U-Rohrmanometer und die Verbindungsleitungen im besonderen,
müssen für den größten statischen Druck (größte im Prüfvorgang vorgesehene
Tauchtiefe) ausgelegt sein.
Das Prüfen von Zweischlauchautomaten erfolgt analog, nur wird der Anschluß für das
Manometer 2 dichtgesetzt.
Benötigte Meßinstrumente :
1 Manometer für Flaschendruck 0-315 kp/cm²
2 Manometer für Minderdruck 0-16 kp/cm²
3 Manometer für Differenzdruck 0-300 mmWS
4 Manometer für Tauchtiefen 0-100 mmWS
5 Rotameter für Durchfluß 100 ... 1000 l/min
Wie man sieht, ist der Aufwand an Instrumenten nicht allzu groß, so daß diese Anlage
leicht nachgebaut werden kann. Wir schlagen den Bau von wenigstens einem Gerät in jedem
Bezirk vor, um die Qualität der Regler, die zur Abnahme an den TSK geschickt werden, zu
erhöhen. Unnötige Nacharbeiten würden dadurch vermieden.
Alle Kameraden, die Einschlauchregler bauen, bitte ich, die Verbindungsschläuche mit
einer Kupplung nach Bild 4 zu versehen, um eine Prüfung mit der neuen Prüfanlage zu
ermöglichen.
Literaturangaben :
(1) Schumann, Günter: Prüfgerät für Lungenautomaten, "poseidon",
Deutscher Militärverlag, Berlin, 14 (1965), 5, Seiten 30-32
(2) Leers, Rainer: Zum Begriff des Atemwiderstandes bei Atemschutzgeräten,
Atemschutzinformation, Leipzig, 2 (1962) 2, Seiten 40-43
altes.tauchen -> Altes --> Atembremsen unter der Lupe
---> Neues Prüfgerät für Atemregler
Letzte Änderung: 26.12.21 |